Product Summary
The TL032CDR is a JFET-input operational amplifier. It offers improved dc and ac characteristics over the TL06x family of low-power BiFET operational amplifiers. On-chip zener trimming of offset voltage yields precision grades as low as 1.5 mV for greater accuracy in dc-coupled applications. The TL032CDR is pin-compatible with the TL06x and can be used to upgrade existing circuits or for optimal performance in new designs. The TL032CDR has been optimized for micropower operation, while improving on the performance of the TL06x series.
Parametrics
TL032CDR absolute maximum ratings: (1)Supply voltage: VCC+: 18 V; VCC–: –18 V; (2)Differential input voltage, VID: ±30 V; (3)Input voltage, VI (any input): ±15 V; (4)Input current, II (each input): ±1 mA; (5)Output current, IO (each output): ±40 mA; (6)Total current into VCC+: 160 mA; (7)Total current out of VCC–: 160 mA; (8)Lead temperature 1,6 mm (1 /16 inch) from case for 10 seconds: D, N, P, or PW package: 260℃; (9)Lead temperature 1,6 mm (1 /16 inch) from case for 60 seconds: J or JG package:. 300℃; (10)Case temperature for 60 seconds: FK package: 260℃; (11)Storage temperature range, Tstg: –65℃ to 150℃.
Features
TL032CDR features: (1)Direct Upgrades for the TL06x Low-Power BiFETs; (2)Low Power Consumption: 6.5 mW/Channel Typ; (3)On-Chip Offset-Voltage Trimming for Improved DC Performance; (4)Higher Slew Rate and Bandwidth Without Increased Power Consumption; (5)Available in TSSOP for Small Form-Factor Designs.
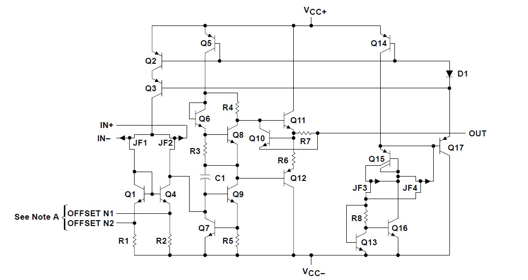
Diagrams

| Image | Part No | Mfg | Description | ![]() |
Pricing (USD) |
Quantity | ||||||||||||
|---|---|---|---|---|---|---|---|---|---|---|---|---|---|---|---|---|---|---|
![]() |
![]() TL032CDR |
![]() Texas Instruments |
![]() Operational Amplifiers - Op Amps Enhanced HFET Lw Pwr |
![]() Data Sheet |
![]()
|
|
||||||||||||
![]() |
![]() TL032CDRE4 |
![]() Texas Instruments |
![]() Operational Amplifiers - Op Amps Dual Enhanced JFET Low-Power Precision |
![]() Data Sheet |
![]()
|
|
||||||||||||
![]() |
![]() TL032CDRG4 |
![]() Texas Instruments |
![]() Operational Amplifiers - Op Amps Dual Enh JFET Lo-Pwr Prec Op Amp |
![]() Data Sheet |
![]()
|
|
||||||||||||
(China (Mainland))









