Product Summary
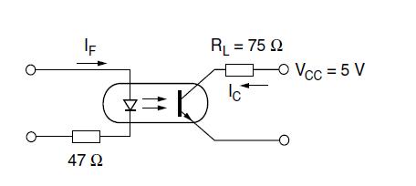
The SFH6106-1X001T is an optocoupler. The SFH6106-1X001T features a high current transfer ratio, low coupling capacitance and high isolation voltage. The coupler has a GaAs infrared diode emitter, which is optically coupled to a silicon planar phototransistor detector, and is incorporated in a plastic DIP-4 or SMD package. The SFH6106-1X001T is designed for signal transmission between two electrically separated circuits. The couplers are end-stackable with 2.54 mm spacing. Creepage and clearance distances of > 8.0 mm are achieved with option 6. This version complies with IEC 60950 (DIN VDE 0805) for reinforced insulation up to an operation voltage of 400 VRMS or DC. Specifications subject to change.
Parametrics
SFH6106-1X001T absolute maximum ratings: (1)Reverse voltage, VR: 6.0 V; (2)DC Forward current, IF: 60 mA; (3)Surge forward current, t ≤ 10 μs, IFSM: 2.5 A; (4)Power dissipation, Pdiss: 100 mW; (5)Collector-emitter voltage, VCE: 70 V; (6)Emitter-collector voltage, VEC: 7.0 V; (7)Collector current, IC: 50 mA; t ≤ 1.0 ms, IC: 100 mA ; (8)Power dissipation, Pdiss: 150 mW.
Features
SFH6106-1X001T features: (1)Good CTR Linearity Depending on Forward Current; (2)Isolation Test Voltage, 5300 VRMS; (3)High Collector-Emitter Voltage, VCEO = 70 V; (4)Low Saturation Voltage; (5)Fast Switching Times; (6)Low CTR Degradation; (7)Temperature Stable; (8)Low Coupling Capacitance; (9)End-Stackable, 0.100" (2.54 mm) Spacing; (10)High Common-Mode Interference Immunity; (11)Lead (Pb)-free component; (12)Component in accordance to RoHS 2002/95/EC and WEEE 2002/96/EC
Diagrams

| Image | Part No | Mfg | Description | ![]() |
Pricing (USD) |
Quantity | ||||||||||||
|---|---|---|---|---|---|---|---|---|---|---|---|---|---|---|---|---|---|---|
![]() |
![]() SFH6106-1X001T |
![]() Vishay Semiconductors |
![]() Transistor Output Optocouplers Phototransistor Out Single CTR > 40-80% |
![]() Data Sheet |
![]()
|
|
||||||||||||
| Image | Part No | Mfg | Description | ![]() |
Pricing (USD) |
Quantity | ||||||||||||
![]() |
![]() SFH600 |
![]() Other |
![]() |
![]() Data Sheet |
![]() Negotiable |
|
||||||||||||
![]() |
![]() SFH600-0 |
![]() Vishay Semiconductors |
![]() Transistor Output Optocouplers Phototransistor Out Single CTR > 40-80% |
![]() Data Sheet |
![]()
|
|
||||||||||||
![]() |
![]() SFH600-0X001 |
![]() Vishay Semiconductors |
![]() Transistor Output Optocouplers Phototransistor Out Single CTR > 40-80% |
![]() Data Sheet |
![]()
|
|
||||||||||||
![]() |
![]() SFH600-0X007 |
![]() Vishay Semiconductors |
![]() Transistor Output Optocouplers Phototransistor Out Single CTR > 40-80% |
![]() Data Sheet |
![]()
|
|
||||||||||||
![]() |
![]() SFH600-0X007T |
![]() Vishay Semiconductors |
![]() Transistor Output Optocouplers Phototransistor Out Single CTR > 40-80% |
![]() Data Sheet |
![]()
|
|
||||||||||||
![]() |
![]() SFH600-1 |
![]() Vishay Semiconductors |
![]() Transistor Output Optocouplers Phototransistor Out Single CTR 63-125% |
![]() Data Sheet |
![]()
|
|
||||||||||||
(China (Mainland))









